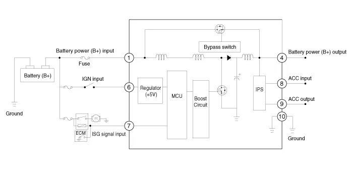
| Components Location |

| Circuit Diagram |
| [200W] |

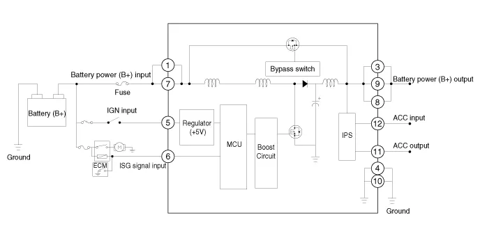
| [400W] |

| Terminal Function |
| [200W] |

|
PIn. |
Description |
PIn. |
Description |
|
1 |
Battery power (B+) input |
7 |
ISG signal input |
|
2 |
- |
8 |
ACC input |
|
3 |
- |
9 |
ACC output |
|
4 |
Battery power (B+) output |
10 |
Ground |
|
5 |
- |
11 |
- |
|
6 |
IGN1 input |
|
|
| [400W] |

|
PIn. |
Description |
PIn. |
Description |
|
1 |
Battery power (B+) input |
7 |
Battery power (B+) input |
|
2 |
- |
8 |
Battery power (B+) output |
|
3 |
Battery power (B+) output |
9 |
Battery power (B+) output |
|
4 |
Ground |
10 |
Ground |
|
5 |
IGN1 input |
11 |
ACC output |
|
6 |
ISG signal input |
12 |
ACC input |
| Removal |
| [200W] |
| 1. |
Switch "OFF" the ignition and disconnect the negative (-) battery terminal. |
| 2. |
Remove the glove box housing. (Refer to Body (Interior and Exterior) - "Glove Box Housing") |
| 3. |
Remove the [RH] side air bant duct (A) after loosening the mounting screw.
|
| 4. |
Remove the DC/DC converter after loosening the mounting bolt (A) and nut(B).
|
| [400W] |
| 1. |
Switch "OFF" the ignition and disconnect the negative (-) battery terminal. |
| 2. |
Disconnect the DC/DC converter connector (A).
|
| 3. |
Remove the DC/DC converter (A) after loosening the mounting nuts.
|
| Installation |
After reconnecting the battery negative cable, ISG function does not operates until the system is stabilized, about 4 hours. If disconnecting the negative (-) battery cable from the battery during repair work for the vehicle equipped with AMS function, Battery sensor recalibration procedure should be performed after finishing the repair work. |
| 1. |
Install in the reverse order of removal. |
Kia Stinger (CK) 2018-2023 Service Manual: Integrated Body Control Unit (IBU)
Specifications Specifications Items Specifications Rated voltage DC 12 V Operating voltage DC 9 - 16 V Operating temperature -40 - 176°F (-40 - 80°C) Dark current Max. 4.0 mA Components and components location Components Connector Pin Information No.Service data Service data Item Specification Master cylinder Type Tandem Cylinder I.D. Ø 23.81 mm (0.937 in) Piston stroke 36±1 mm (1.41 ± 0.039 in) Fluid level switch Provided Brake booster Type 8+8" Tandem Boosting ratio 9 : 1 Front disc brake (17 in) Type Ventilated disc Disc O.