| Specification |
▷ 13.5V, 150A
|
Item |
Specification |
|
Rated voltage |
13.5V , 150A |
|
Speed in use |
0 - 18,000 rpm |
|
Pin |
1 |
|
Voltage regulator |
IC Regulator built in type |
|
Default regulated voltage (V) [COM terminal] |
14.39 - 15.43 [-35°C(31°F)] |
|
14.15 - 14.95 [25°C(77°F)] |
|
|
13.23 - 14.49 [140°C(284°F)] |
|
|
Pully Type |
OAP |

| Description |
The Alternator has eight built-in diodes, each rectifying AC current to DC current.
Therefore, DC current appears at alternator "B" terminal.
In addition, the charging voltage of this alternator is regulated by the battery voltage detection system.
The alternator is regulated by the battery voltage detection system.
The main components of the alternator are the rotor, stator, rectifier, capacitor brushes, bearings and V-ribbed belt pulley.
The brush holder contains a built-in electronic voltage regulator.

| 1. Brush 2. Drive belt pulley 3. Rotor 4. Stator |
| Components |

| 1. Pulley 2. Front bracket 3. Front bearing 4. Bearing cover 5. Bearing cover bolt 6. Rotor 7. Rear bearing |
8. Rear bracket8. Shield 9. Through bolt 10. Brush holder assembly 11. Brush holder bolt 12. Rear cover 13. Nut |
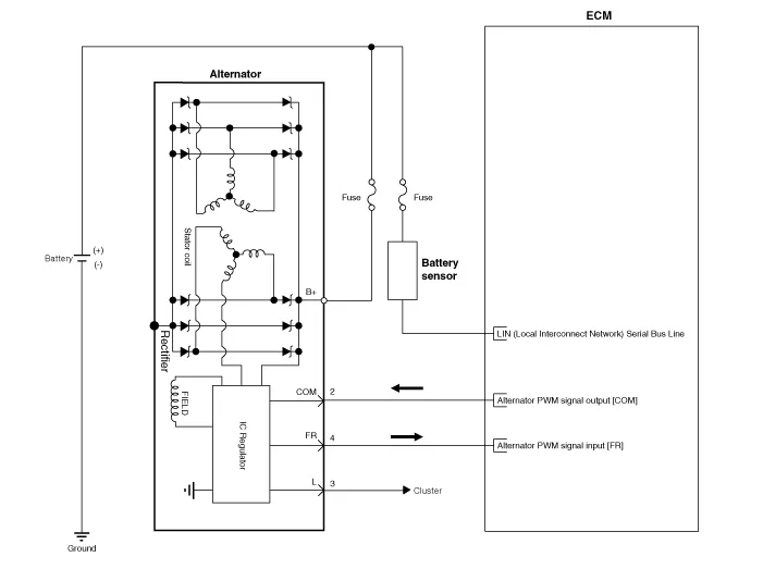
| Circuit Diagram |

|
| Removal |
| 1. |
Switch "OFF" the ignition and disconnect the negative (-) battery terminal. |
| 2. |
Remove the drive belt. (Refer to Engine Mechanical System - "Drive Belt") |
| 3. |
Disconnect the alternator connector (B), and remove the cable (A) from alternator "B" terminal.
|
| 4. |
Remove the alternator lower bolt and upper bolt (A).
|
| 5. |
Remove the alternator (A).
|
| Installation |
| 1. |
Install in the reverse order of removal. |
| 2. |
Install the drive belt. (Refer to Engine Mechanical System - "Drive Belt") |
Kia Stinger (CK) 2018-2023 Service Manual: Air Conditioning System
General safety information and caution When Handling Refrigerant 1. R-134a liquid refrigerant is highly volatile. A drop on the skin of your hand could result in localized frostbite. When handling the refrigerant, be sure to wear gloves. 2. It is standard practice to wear goggles or glasses to protect your eyes, and gloves to protect your hands.Kia Stinger (CK) 2018-2023 Service Manual: Windshield Wiper/Washer
Components and components location Component Location 1. Windshield wiper arm & blade 2. Wiper & washer switch 3. Windshield washer hose & nozzle 4. Wiper motor & linkage assembly 5. Washer motor 6. Washer fluid level sensor 7. Washer reservoir tank 8. Wiper/Washer relay (Built-in Metal core block PCB) Windshield Wiper-Washer Switch Repair procedures Removal 1.