| Description |
Smart Ventilation
It is a system that actively ventilates when the humidity inside the passenger compartment increases with the air conditioning OFF.
| 1. |
Entry condition
|
| 2. |
Release condition
|
| 3. |
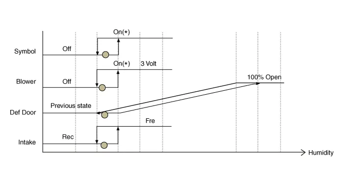
Operation Specifications When the humidity in the passenger compartment increases, the system below will be activated in the following order.
|
| Components |

| Connector Pin Function |
[Connector A]
|
Pin NO |
Function |
Pin NO |
Function |
|
1 |
Mode Control Actuator (F/B) |
21 |
Mode Control Actuator (VENT) |
|
2 |
Intake Actuator (F/B) |
22 |
Mode Control Actuator (DEF) |
|
3 |
Passenger Side Temperature Control Actuator (F/B) |
23 |
Intake Actuator (FRE) |
|
4 |
Driver Side Temperature Control Actuator (F/B) |
24 |
Intake Actuator (REC) |
|
5 |
Auto Defogging Actuator (F/B) |
25 |
Passenger Side Temperature Control Actuator (COOL) |
|
6 |
- |
26 |
Passenger Side Temperature Control Actuator (WARM) |
|
7 |
Incar sensor (+) |
27 |
Driver side Temperature Control Actuator (COOL) |
|
8 |
Left Photo Sensor (-) |
28 |
Driver side Temperature Control Actuator (WARM) |
|
9 |
Right Photo Sensor (-) |
29 |
Auto Defogging Actuator (OPEN) |
|
10 |
Console Temperature Control Actuator (F/B) |
30 |
Auto Defogging Actuator (CLOSE) |
|
11 |
Console ON/OFF Actuator (F/B) |
31 |
- |
|
12 |
Console Switch (F/B) |
32 |
- |
|
13 |
Auto Defogging signal |
33 |
- |
|
14 |
Ambient Temperature Sensor (+) |
34 |
P CAN LOW |
|
15 |
Evaporator Temperature Sensor (+) |
35 |
P CAN HIGH |
|
16 |
- |
36 |
- |
|
17 |
Console Temperature Control Actuator (COOL) |
37 |
- |
|
18 |
Console Temperature Control Actuator (WARM) |
38 |
- |
|
19 |
Console ON/OFF Actuator (OPEN) |
39 |
- |
|
20 |
Console ON/OFF Actuator (CLOSE) |
40 |
Ground |
[Connector B]
|
Pin NO |
Function |
Pin NO |
Function |
|
1 |
Ground |
13 |
Ground |
|
2 |
Sensor Ground |
14 |
ECV (-) |
|
3 |
FET (GATE) |
15 |
ECV (+) |
|
4 |
FET Drain (F/B) |
16 |
- |
|
5 |
Blower Motor (+) |
17 |
- |
|
6 |
- |
18 |
PTC ON Signal |
|
7 |
- |
19 |
PTC Relay 2 |
|
8 |
- |
20 |
PTC Relay 3 |
|
9 |
Sensor REF (5V) |
21 |
- |
|
10 |
- |
22 |
LIN BUS |
|
11 |
- |
23 |
IGN1 |
|
12 |
Battery (+) |
24 |
IGN2 |
| Replacement |
| 1. |
Disconnect the negative (-) battery terminal. |
| 2. |
Remove the glove box hoursing. (Refer to Body - "Glove Box Hoursing") |
| 3. |
Remove the shower duct (A) after loosening the screw.
|
| 4. |
Disconnect the heater control unit connectors (A). |
| 5. |
Remove the heater control unit (B) after loosening the screws.
|
| 6. |
Install in the reverse order of removal. |
Kia Stinger (CK) 2018-2023 Service Manual: SRS Control Module (SRSCM)
Description and operation Description The primary purpose of the SRSCM (Supplemental Restraints System Control Module) is to discriminate between an event that warrants restraint system deployment and an event that does not. The SRSCM must decide whether to deploy the restraint system or not. After determining that pretensioners and/or airbag deployment is required, the SRSCM must supply sufficient power to the pretensioners and airbag igniters to initiate deployment.Kia Stinger (CK) 2018-2023 Service Manual: Air bag non-inflation conditions
• In certain low-speed collisions the air bags may not deploy. The air bags are designed not to deploy in such cases because they may not provide benefits beyond the protection of the seat belts in such collisions. • Air bags are not designed to inflate in rear collisions, because occupants are moved backward by the force of the impact.