| Components |

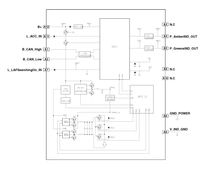
| Circuit Diagram |

| Removal |
|
|
| 1. |
Disconnect the negative (-) battery terminal. |
| 2. |
Remove the console complete assembly. (Refer to Body - "Floor Console Assembly") |
| 3. |
Remove the front cover (A) after loosening the mounting screws.
|
| 4. |
Remove the floor console tray (A) by using a remover.
|
| 5. |
Remove the wireless charging pad (A).
|
| 6. |
Disconnect the wireless power charging unit connector (A).
|
| 7. |
Remove the wireless power charging unit (B) by pressing the fixing hooks (A).
|
| Installation |
| 1. |
Install the wireless power charging unit. |
| 2. |
Connect the wireless power charging unit connector. |
| 3. |
Install the wireless charging pad. |
| 4. |
Install the floor console tray. |
| 5. |
Install the front cover. |
| 6. |
Install the console complete assembly. |
| 7. |
Connect the negative (-) battery terminal. |
| [Diagnosis With KDS] |
| 1. |
The body electrical system can be more quickly diagnosed for troubles by using the vehicle diagnostic system (KDS). KDS provides the following information.
|
| 2. |
To diagnose the vehicle by using the diagnostic equipment, select "vehicle model" and "wireless power charger system" to be inspected. |
| 3. |
To inquire the current status of input/output values, select the "Sensor Data" menu The input/output values of the sensors corresponding to the selected module can be checked. |
| 4. |
To perform forced operation of the selected module input, select "Actuation Test". |
| 5. |
To inquire the cause of trouble for each module by self diagnosis, select 'Diagnostic Trouble Code'. |
Kia Stinger (CK) 2018-2023 Service Manual: Bulb replacement precaution
Please keep extra bulbs on hand with appropriate wattage ratings in case of emergencies. Refer to “Bulb Wattage” in chapter 8. When changing lamps, first turn off the engine at a safe place, firmly apply the parking brake and detach the battery’s negative (-) terminal. WARNING - Working on the lights Prior to working on the light, firmly apply the parking brake, ensure that the ignition switch is turned to the LOCK position and turn off the lights to avoid sudden movement of the vehicle burns to your skin or fingers, or an electric shock.Blade inspection Commercial hot waxes applied by automatic car washes have been known to make the windshield difficult to clean. Contamination of either the windshield or the wiper blades with foreign matter can reduce the effectiveness of the windshield wipers. Common sources of contamination are insects, tree sap, and hot wax treatments used by some commercial car washes.