| Components Location |

| 1. Blower Unit |
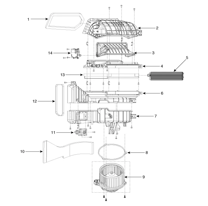
| Components |

| 1. Inlet seal 2. Inlet duct case [Upper] 3. Inlet door assembly 4. Inlet case [Lower] 5. Air filter cover 6. Blower case [Upper] 7. Blower case [Lower] |
8. Blower motor seal 9. Blower motor assembly 10. Anti noise pad 11. FET 12. Blower evaporator seal 13. Air filter 14. Intake actuator |
| Replacement |
| 1. |
Disconnect the negative (-) battery terminal. |
| 2. |
Recover the refrigerant with a recovery/recycling/charging station. |
| 3. |
When the engine is cool, drain the engine coolant from the radiator. D 2.2 R VGT (Refer to Engine Mechanical System - “Coolant”) G 2.0 T-GDI THETA (Refer to Engine Mechanical System - “Coolant”) G 3.3 T-GDI LAMBDA (Refer to Engine Mechanical System - “Coolant”) |
| 4. |
Remove the cowl top cover. (Refer to Body - "Cowl Top Cover") |
| 5. |
Remove the engine room partition. |
| 6. |
Remove the expansion valve (A) from the evaporator core after loosening the bolts.
|
| 7. |
Disconnect the heater hoses (A).
|
| 8. |
Loosen the cowl cross member mounting bolts (A).
|
| 9. |
Remove both sides of front seat assembly. (Refer to Body - "Front Seat Assembly") |
| 10. |
Remove the floor console. (Refer to Body - "Floor Console Assembly") |
| 11. |
Remove both sides of the front pillar trim. (Refer to Body - "Front Pillar Trim") |
| 12. |
Remove both sides of the cowl side trim. (Refer to Body - "Cowl Side Trim") |
| 13. |
Remove the crash pad lower panel. (Refer to Body - "Crash Pad Lower Panel") |
| 14. |
Remove the steering column shroud lower panel. (Refer to Body - "Steering Column Shroud Panel") |
| 15. |
Remove the steering wheel. (Refer to Steering System - "Steering Wheel") |
| 16. |
Remove the multifunction switch. (Refer to Body Electrical System - "Multifunction Switch") |
| 17. |
Lower the steering column after loosening the mounting bolts. (Refer to Steering System - "Steering Column and Shaft") |
| 18. |
Remove the front door scuff trim. (Refer to Body - "Door Scuff Trim") |
| 19. |
Separate the accelerator pedal (A) after loosening the bolts.
|
| 20. |
Remove the accelerator pedal after disconnecting the connector (A).
|
| 21. |
Separate the floor carpet (A) to allow space for removing the rear heating duct.
|
| 22. |
Remove the rear heating duct (A) after loosening the clip.
|
| 23. |
Disconnect the shift lever connector (A).
|
| 24. |
Disconnect the airbag control module (SRSCM) connector (A).
|
| 25. |
Disconnect the passenger compartment junction box connectors (A).
|
| 26. |
Disconnect the multi box connectors (A). [LH]
[RH]
|
| 27. |
Disconnect the connector (A) and the mounting clips in the front pillar. [LH]
[RH]
|
| 28. |
Remove the drain hose (A).
|
| 29. |
After loosening the nuts and bolts, remove the main crash pad and cowl cross bar assembly (A) altogether. [LH]
[RH]
|
| 30. |
Remove the integrated body control unit. (Refer to Body Electrical System - "Integrated Body Control Unit (IBU)") |
| 31. |
Disconnect the heater & blower unit connectors.
|
| 32. |
Remove the heater and blower unit (A) from the crash pad after loosening the mounting nuts.
|
| 33. |
Remove the heater core cover (A).
|
| 34. |
Separate the blower unit (B) from the heater unit (A) after loosening the screws.
|
| 35. |
Install in the reverse order of removal. |
Kia Stinger (CK) 2018-2023 Service Manual: Restraint
General information General The supplemental restraint system (SRS) is designed to supplement the seat belt to help reduce the risk or severity of injury to the driver and passenger by activating and deploying the driver, passenger, side airbag and seat belt pretensioner in certain frontal or side collisions. The SRS (Airbag) consists of: a driver side airbag module with the folded cushion and an inflator unit located at the center of the steering wheel, a passenger side airbag module with the folded cushion assembled with inflator unit located in the passenger side crash pad, side airbag modules with the folded cushion and an inflator unit located in the front seat, and curtain airbag modules with folded cushions and inflator units located inside the headliner.Kia Stinger (CK) 2018-2023 Service Manual: Corrosion protection
Protecting your vehicle from corrosion By using the most advanced design and construction practices to combat corrosion, we produce vehicles of the highest quality. However, this is only part of the job. To achieve the long-term corrosion resistance your vehicle can deliver, the owner's cooperation and assistance is also required. Common causes of corrosion The most common causes of corrosion on your vehicle are: Road salt, dirt and moisture that is allowed to accumulate underneath the vehicle.