| Components Location |

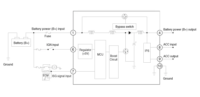
| Circuit Diagram |
| [200W] |

| [400W] |

| Terminal Function |
| [200W] |

|
PIn. |
Description |
PIn. |
Description |
|
1 |
Battery power (B+) input |
7 |
ISG signal input |
|
2 |
- |
8 |
ACC input |
|
3 |
- |
9 |
ACC output |
|
4 |
Battery power (B+) output |
10 |
Ground |
|
5 |
- |
11 |
- |
|
6 |
IGN1 input |
|
|
| [400W] |

|
PIn. |
Description |
PIn. |
Description |
|
1 |
Battery power (B+) input |
7 |
Battery power (B+) input |
|
2 |
- |
8 |
Battery power (B+) output |
|
3 |
Battery power (B+) output |
9 |
Battery power (B+) output |
|
4 |
Ground |
10 |
Ground |
|
5 |
IGN1 input |
11 |
ACC output |
|
6 |
ISG signal input |
12 |
ACC input |
| Removal |
| [200W] |
| 1. |
Switch "OFF" the ignition and disconnect the negative (-) battery terminal. |
| 2. |
Remove the glove box housing. (Refer to Body (Interior and Exterior) - "Glove Box Housing") |
| 3. |
Remove the [RH] side air bant duct (A) after loosening the mounting screw.
|
| 4. |
Remove the DC/DC converter after loosening the mounting bolt (A) and nut(B).
|
| [400W] |
| 1. |
Switch "OFF" the ignition and disconnect the negative (-) battery terminal. |
| 2. |
Disconnect the DC/DC converter connector (A).
|
| 3. |
Remove the DC/DC converter (A) after loosening the mounting nuts.
|
| Installation |
After reconnecting the battery negative cable, ISG function does not operates until the system is stabilized, about 4 hours. If disconnecting the negative (-) battery cable from the battery during repair work for the vehicle equipped with AMS function, Battery sensor recalibration procedure should be performed after finishing the repair work. |
| 1. |
Install in the reverse order of removal. |
Kia Stinger (CK) 2018-2023 Service Manual: Side Impact Sensor (SIS)
Description and operation Description • Side Impact Sensor (SIS) system consists of two Pressure Side Impact Sensor (P-SIS) installed at each center of the front door module (LH and RH), two SIS installed at each center pillar nearby (LH and RH) and two rear SIS installed in the rear pillar (LH and RH). • Pressure Side Impact Sensor is also called P-SIS because it detects pressure from collision at its mounting location.Specifications Specifications Item Specification Output type PWM Power supply (V) 5 Components and components location Components Location 1. Inhibitor switch 2. Manual control lever Schematic diagrams Circuit Diagram Repair procedures Inspection Inspect the connector thoroughly for looseness, poor connection, bending, corrosion, contamination, deformation, or damage.