Kia Stinger CK: Heater / Auto Defoging Actuator

Description and operation
Description

Installed on the windshield glass, the auto defogging sensor judges and sends signal to blow out wind for defogging if moisture occurs. The air conditioner control module receives a signal from the sensor and restrains moisture and eliminates defog by the intake actuator, A/C, auto defogging actuator, blower motor rpm and mode actuator.

Repair procedures
Inspection
1.

Turn the ignition switch OFF.

2.

Disconnect the auto defogging connector.

3.

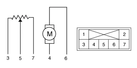
Verify that the auto defogging actuator operates in the open position when connecting 12V to terminal 4 and grounding terminal 6.

Verify that the auto defogging actuator operates in the closed position when connected in reverse.

1. -
2. -
3. Open
4. Sensor REF (+5V)
5. Feedback signal
6. Sensor ground
7. Close

4.

Connect the auto defogging actuator connector.

5.

Turn the ignition switch ON.

6.

Check the voltage between terminals 5 and 6.

Specification

Door position
Voltage (V)
Error detecting
Defog OFF (Close)
4.7 ± 0.15
Low voltage : 4.9V or less
Defog ON (Open)
0.90 ± 0.15
High voltage : 0.7V or less

The current position of the actuator will be sent to the control unit.

7.

If the measured voltage is not within specification, substitute with a known-good auto defogging actuator and check for proper operation.

8.

Replace the auto defogging actuator if it is proved that there is a problem with it.

Replacement
1.

Disconnect the negative (-) battery terminal.

2.

Remove the glove box housing.

(Refer to Body - "Glove Box Housing")

3.

Remove the passenger side shower duct (A) after loosening the screw.

4.

Remove the aspirator.

5.

Disconnect the connector (A) and then remove the auto defogging actuator (B) after loosening the screws.

6.

Install in the reverse order of removal.Heating, Ventilation And Air Conditioning

Other information:

Kia Stinger (CK) 2018-2023 Service Manual: Storage compartments

These compartments can be used to store small items required by the driver or passengers. To avoid possible theft, do not leave valuables in the storage compartment. Always keep the storage compartment covers closed while driving. Do not attempt to place so many items in the storage compartment that the storage compartment cover can not close securely.

Kia Stinger (CK) 2018-2023 Service Manual: Important safety precautions

You will find many safety precautions and recommendations throughout this section, and throughout this manual. The safety precautions in this section are among the most important. Always wear your seat belt A seat belt is your best protection in all types of accidents. Air bags are designed to supplement seat belts, not replace them. So even though your vehicle is equipped with air bags, ALWAYS make sure you and your passengers wear your seat belts, and wear them properly.

Categories

 
Copyright © 2026 www.kstinger.com 0.0076