| Component Location |

| 1. Heater Unit |
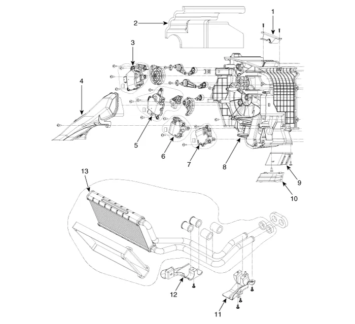
| Components |
| [LH] |

| 1. Air guard 2. Anti noise pad 3. Mode control actuator 4. Shower duct [LH] 5. Temperature control actuator 6. Console ON/OFF actuator 7. Console temperature control actuator |
8. Heater case [LH] 9. Rear heater duct 10. Rear heater duct 11. Heater core cover 12. Heater core cover 13. Heater core assembly |
| [RH] |

| 1. Deffog
seal 2. Auto defogging door [LH] 3. Seal 4. Auto defogging door [RH] 5. Auto defogging actuator 6. Temperature control actuator 7. Aspirator hose assembly 8. Shower duct [RH] 9. Evaporator insulation [Low] 10. Console seal |
11. Heater
seperator 12. Console cover 13. Anti noise pad 14. Heater case [Lower] 15. Drain hose 16. Evaporator temperature sensor 17. Evaporator core 18. Temperature control door 19. Heater case [RH] 20. PTC Heater |
| Replacement |
| 1. |
Disconnect the negative (-) battery terminal. |
| 2. |
Recover the refrigerant with a recovery/recycling/charging station. |
| 3. |
When the engine is cool, drain the engine coolant from the radiator. D 2.2 R VGT (Refer to Engine Mechanical System - “Coolant”) G 2.0 T-GDI THETA (Refer to Engine Mechanical System - “Coolant”) G 3.3 T-GDI LAMBDA (Refer to Engine Mechanical System - “Coolant”) |
| 4. |
Remove the cowl top cover. (Refer to Body - "Cowl Top Cover") |
| 5. |
Remove the engine room partition. |
| 6. |
Remove the expansion valve (A) from the evaporator core after loosening the bolts.
|
| 7. |
Disconnect the heater hoses (A).
|
| 8. |
Loosen the cowl cross member mounting bolts (A).
|
| 9. |
Remove both sides of front seat assembly. (Refer to Body - "Front Seat Assembly") |
| 10. |
Remove the floor console. (Refer to Body - "Floor Console Assembly") |
| 11. |
Remove both sides of the front pillar trim. (Refer to Body - "Front Pillar Trim") |
| 12. |
Remove both sides of the cowl side trim. (Refer to Body - "Cowl Side Trim") |
| 13. |
Remove the crash pad lower panel. (Refer to Body - "Crash Pad Lower Panel") |
| 14. |
Remove the steering column shroud lower panel. (Refer to Body - "Steering Column Shroud Panel") |
| 15. |
Remove the steering wheel. (Refer to Steering System - "Steering Wheel") |
| 16. |
Remove the multifunction switch. (Refer to Body Electrical System - "Multifunction Switch") |
| 17. |
Lower the steering column after loosening the mounting bolts. (Refer to Steering System - "Steering Column and Shaft") |
| 18. |
Remove the front door scuff trim. (Refer to Body - "Door Scuff Trim") |
| 19. |
Separate the accelerator pedal (A) after loosening the bolts.
|
| 20. |
Remove the accelerator pedal after disconnecting the connector (A).
|
| 21. |
Separate the floor carpet (A) to allow space for removing the rear heating duct.
|
| 22. |
Remove the rear heating duct (A) after loosening the clip.
|
| 23. |
Disconnect the shift lever connector (A).
|
| 24. |
Disconnect the airbag control module (SRSCM) connector (A).
|
| 25. |
Disconnect the passenger compartment junction box connectors (A).
|
| 26. |
Disconnect the multi box connectors (A). [LH]
[RH]
|
| 27. |
Disconnect the connector (A) and the mounting clips in the front pillar. [LH]
[RH]
|
| 28. |
Remove the drain hose (A).
|
| 29. |
After loosening the nuts and bolts, remove the main crash pad and cowl cross bar assembly (A) altogether. [LH]
[RH]
|
| 30. |
Remove the integrated body control unit. (Refer to Body Electrical System - "Integrated Body Control Unit (IBU)") |
| 31. |
Disconnect the heater & blower unit connectors.
|
| 32. |
Remove the heater and blower unit (A) from the crash pad after loosening the mounting nuts.
|
| 33. |
Remove the heater core cover (A).
|
| 34. |
Separate the blower unit (B) from the heater unit (A) after loosening the screws.
|
| 35. |
Install in the reverse order of removal. |
Kia Stinger (CK) 2018-2023 Service Manual: Electronic stability control (ESC)
The Electronic Stability control (ESC) system is designed to stabilize the vehicle during cornering maneuvers. ESC checks where you are steering and where the vehicle is actually going. ESC applies the brakes on individual wheels and intervenes with the engine management system to stabilize the vehicle. Electronic stability control (ESC) will not prevent accidents.Kia Stinger (CK) 2018-2023 Service Manual: Emergency Call (eCall) Unit
Components and components location Component The eCall unit for AVN is equipped in AVN head unit. Repair procedures Removal Carry out the Test Mode after: – Replacing the eCall unit – Replacing the Back-up Battery (BUB) – Replacing the eCall speaker and MIC – Replacing the eCall antenna and roof antenna • Be careful not to scratch the cluster fascia panel and related parts.